Контроллер охранного мониторинга STEMAX SX512
Контроллер охранного мониторинга с поддержкой сетей сотовой связи поколения 2.5G
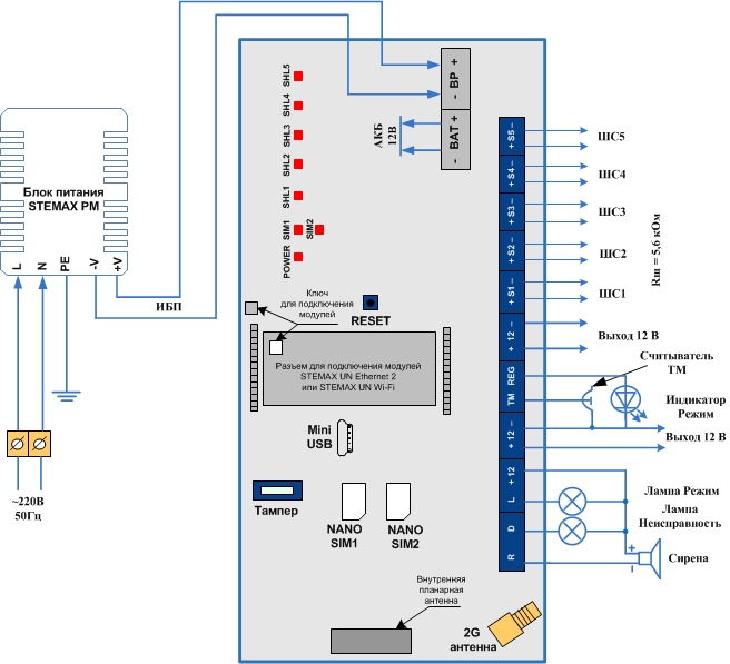
Проводной контроллер STEMAX SX512 предназначен для охраны небольших объектов, организации тревожной кнопки, а также для замены устаревшего парка проводных приборов.
-
5 охранных шлейфов сигнализации
-
5 логических разделов
-
Внутренняя планарная GSM-антенна и возможность подключения внешней
-
Дополнительный канал связи за счет модуля расширения
-
Питание основное 100–264 В, резервное от АКБ 2,3 А⋅ч / 12 В
- Функциональные
возможности - Технические
характеристики - Схема
подключения - Документация
и ПО - Сопутствующие
товары - Комплект
поставки
| Передача извещений | |
| Передача извещений по беспроводным сетям связи стандарта 2.5G: GSM/GPRS 900/1800 с использованием различных методов передачи данных: TCP/IP GPRS, SMS (в зашифрованном виде). | |
| Непрерывный контроль доступности каналов связи. | |
| Многоуровневая защита от несанкционированного удаленного доступа. | |
| Собственный протокол передачи данных MSRV, двухстороннее динамическое шифрование. | |
| 2 GSM-антенны с автоматическим переключением: внутренняя планарная и внешняя, подключаемая к разъему SMA. | |
| Модули связи | |
| Передача извещений по проводным сетям Ethernet за счет модуля STEMAX UN Ethernet 2. | |
| Передача извещений по беспроводным сетям Wi-Fi за счет модуля STEMAX UN Wi-Fi. | |
| Шлейфы и разделы | |
| 5 охранных шлейфов сигнализации для приема извещений от охранных и технологических извещателей. | |
| Широкие возможности конфигурирования и назначения шлейфам различных атрибутов. | |
| 5 логических разделов с независимой постановкой на охрану и возможностью одновременной постановки/снятия. | |
| Выходы управления | |
| Управление исполнительными устройствами и средствами автоматики с помощью 3 выходов типа «открытый коллектор» на основе различных тактик. | |
| Звуковая и световая сигнализации в режимах «Тревога» / «Пожар» / «Неисправность». | |
| Управление режимом охраны и автоматикой | |
| Мобильное приложение Stemaх. | |
| Устройства, подключаемые по интерфейсу Touch Memory (считыватели TM, кодовые панели, скрытые выключатели). Поддерживаются электронные ключи TM и Proximity-карты с шифрованием и защитой от клонирования. | |
| Сервисные возможности | |
| Локальное конфигурирование через USB-интерфейс и удаленное конфигурирование по каналу TCP/IP GPRS. | |
| Локальная и дистанционная замена встроенного ПО контроллера. | |
| Сохранение информации в журнале событий. | |
| Питание | |
| Электропитание основное 100–264 В. | |
| Электропитание резервное от АКБ не менее 2,3 А⋅ч / 12 В, автоматический заряд, защита от переполюсовки и глубокого разряда. | |
| Контроль основного и резервного источников питания, автоматическое переключение. | |
| Количество сотовых сетей GSM/GPRS 900/1800 | 2 |
| Поколение сетей сотовой связи | 2,5G |
| Методы передачи информации | TCP/IP GPRS, SMS (в зашифрованном виде) |
| Время доставки извещений (TCP/IP) | 0,5-1 с |
| Количество IP-адресов | 4 |
| Количество и тип шлейфов сигнализации (ШС) | 5, охранные, технологические |
| Количество логических разделов | 5 |
| Количество выходов управления типа «открытый коллектор» | 3 |
| Максимальный суммарный ток нагрузки выхода +12 В | 500 мА |
| Ток потребления от основного источника питания в режиме максимальной нагрузки | не более 0,7 А |
| Напряжение питания ШС | 4,6 В |
| Поддержка ключей и Proximity-карт с шифрованием | есть |
| Датчик вскрытия корпуса | есть |
| Журнал событий | есть |
| Электропитание основное | 100-264 В |
| Электропитание резервное | АКБ 2.3 А•ч / 12 В |
| Диапазон рабочих температур | от –40 до +55 °С |
| Количество электронных ключей или кодов постановки/снятия | до 100 |
| Габаритные размеры корпуса | 242 х 170 х 50 мм |
| Средний срок службы | 10 лет |
|
STEMAX SX512 версия 1.1
Программное обеспечение для контроллера STEMAX SX512. Настройку контроллера с этой версией программного обеспечения необходимо выполнять программой Конфигуратор Про 4.38 и выше.
976.28 Kb
Загрузить
26.03.2026
|
|
История версий ПО STEMAX SX512
Список основных изменений в версиях программного обеспечения с 1.0 по 1.1.
438.44 Kb
Загрузить
26.03.2026
|
|
Руководство по эксплуатации контроллера STEMAX SX512
Редакция от 20.11.2025
2.67 Mb
Загрузить
20.11.2025
|
|
Установочный пакет Конфигуратора Про 4.38
Установочный пакет программы для настройки объектового оборудования STEMAX и Мираж-Профессионал.
69.36 Mb
Загрузить
18.02.2026
|
|
Конфигуратор Про 4.38
Отдельный файл программы, использующейся для настройки контроллеров STEMAX и Мираж-Профессионал.
Внимание! Для работы с программой необходимо использовать библиотеки .Net Framework версии 4.5.2 Скачать указанный пакет библиотек для ОС Windows можно на сайте Microsoft.
1.55 Mb
Загрузить
18.02.2026
|
|
История версий ПО Конфигуратор Профессионал 4.Х
Список основных изменений в версиях программного обеспечения Конфигуратор Профессионал с 4.11 по 4.38.
563.86 Kb
Загрузить
24.02.2026
|
|
Драйвер для USB-порта версия 1.1Драйвер для работы с USB-портом. Работа совместно с 64-битными ОС Windows. Поддерживает работу с контроллерами серии Приват и серии Профессионал.
19.31 Kb
Загрузить
23.03.2012
|
|
Драйвер для USB-порта версия 1.1Драйвер для работы с USB-портом. Работа совместно с 32-битными ОС Windows. Поддерживает работу с контроллерами серии Приват и серии Профессионал.
18.33 Kb
Загрузить
20.06.2012
|
|
Сертификаты |
| Программное обеспечение STEMAXПрограммное обеспечение нового поколения STEMAX. Автоматизированная система управления операционными процессами охранного предприятия. Состав программных модулей: Сервер, Менеджер, Администратор, Монитор (с поддержкой геолокации и видеонаблюдения), Модуль отчетов, Информатор, Call-центр, Web-сервер, Конфигуратор-Профессионал. ОС Windows 7/8/10, СУБД PostgreSQL, сетевая версия, аппаратная защита HASP-ключом, без ограничения по количеству подключаемых объектов и клиентов. Демонстрационная версия ПО с ограничением до 5 объектов предоставляется бесплатно по запросу. Цена: 60 000 руб. |
| Мобильное приложение STEMAXМобильное приложение для клиентов охранного предприятия. Приложение предназначено для дистанционного управления режимом охраны и автоматикой на объектах; получения оповещений о тревожных событиях и состоянии оборудования. Цена: бесплатно |
| GSM-антенна Antey 905GSM-антенна на магнитном основании, кабель 1.5 м, SMA-разъем, 5 дБ. Цена: 1125 руб. |
| STEMAX ТМСчитыватель электронных ключей с модулем индикации. Предназначен для управления режимом охраны объекта с помощью электронных ключей. Отображение состояния 8 шлейфов. Интерфейс подключения: Touch Memory. Материал корпуса: ABS-пластик, металл. Цена: 2600 руб. |
| Электронный ключ DS 1961SЭлектронный ключ с защитой от клонирования, используется алгоритм цифровой подписи данных SHA-1. Цена: 5,5 у.е (1 у.е = 1 USD) |
| Мираж-КД-04Кнопочная кодовая панель для управления контроллерами. Отображение состояния 8 шлейфов и 8 разделов. Индикация питания, связи с сервером, пожара, тревоги. Интерфейс подключения: Touch Memory. Материал корпуса: ABS-пластик. Цена: 2300 руб. |
| STEMAX PM2014SБлок питания для контроллеров серий STEMAX MX, STEMAX SX, STEMAX FX и контроллеров Мираж-GSM-S4, Мираж-GSM-A8-05, Мираж-GSM-A8-04, Мираж-GSM-A4-04.
Выходное напряжение 14,25 В, выходной ток 1,4 А, выходная мощность 20 Вт. Цена: 1500 руб. |
| STEMAX UN Ethernet 2Модуль для передачи данных по сети Ethernet между контроллерами и станцией мониторинга STEMAX. Совместим с контроллерами STEMAX MX840, Мираж-GSM-M8-04, STEMAX SX810, STEMAX SX820 и ППКОП серии STEMAX FX. Цена: 2600 руб. |
| STEMAX UN Wi-FiМодуль для передачи информации по сетям Wi-Fi между контроллерами и станцией мониторинга STEMAX. Совместим с контроллерами STEMAX MX840, STEMAX SX810, STEMAX SX820, STEMAX FX210, STEMAX FX410, STEMAX FX810, Мираж-GSM-M8-04. Цена: 2400 руб. |
| Наименование | Кол-во |
| Контроллер STEMAX SX512 | 1 |
| Электронный ключ DS1990A | 2 |
| Резистор CF-0.25 5.6 кОм | 5 |
| Паспорт | 1 |
| Индивидуальная тара | 1 |








